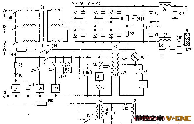
等离子切割机原理图
等离子切割是以高温、高速的等离子弧为热能,熔化被切割的金属,并以高速气流将熔化的金属吹走.它能对各种金属材料(不锈钢、碳钢、合金铜、铝、铜、镍、钛等)进行切割,具有切割速度快、切口窄、变形小、节省材料等特点.
空气等离子切割机是以压缩空气为气源,因工作频繁、工作地点经常移动和环境条件差等原因,容易发生故障.这里以LGK8-63切割机为例,分析其基本工作原理并介绍一些常见故障维修处理,原理图见附图所示.
一、工作原理空气等离子切割机从结构上分主要包括:主回路,控制回路以及气路三部分.1、主回路包括接触器KM、三相变压器B1、三相桥式整流器(由D1~D6、C1~C6组成)、高频振荡器(由B2、B4、FP、C12组成).2、控制回路由控制变压器B3和J1、J2、J3、D7、C11、R3等元件组成.3、气路部分由减压及电磁气阀DF组成.
其原理简述如下:在接好电源和气源后,合上开关K1.电源指示灯XD亮,冷却风机FM立即转动.按下割炬微动开关K3,继电器J1得电动作其常开触点接通,电磁阀DF动作,气路接通,割炬进行预先通气.
另一常开触点接通电阻R3,二极管D7对电容C11充电,组成延时电路,经过3~5秒充电完毕.继电器J2通电闭合,接触器KM得电闭合,主回路通电,经过变压器B1整流桥.正极经过B5通过连接线直接接至工件,负极通过B2输出,主回路得电的同时,接触器KM的辅助常开触头接通继电器J3.DK为常闭触点,使得变庄器B4得电.B4初级电压为220V,取自变压器B3初级自耦抽头,B4次级电压为2500V左右,输出至高压电容C12(102M/10kV两只并联)变压器B2(初级绕组3匝.次级绕组10匝串于工作主回路).通过变压器B2在主回路的负极上感应叠加-高压,割炬靠近接触工件(正极),引弧切割.
图中FP为保护放电空气间隙,间距可调,正常为1~12mm.当引弧切割工件时.电弧电流使得线圈B5(8匝)内干簧管DK触点动作断开,继电器J3失电,切断高压变压器B4,引弧升压回路停止工作.当切割完毕,松开割炬微动开关K3后,则继电器J1断电复位,接触器KM主触点断开,主回路停止输出.
由于RC电路中C11的充放电作用,继电器J2延时复位,使气路滞后10秒断开,割炬得到有效冷却,起到保护作用.整个切割工作过程:预通气一主回路供电-高压引弧-熄弧-气体滞后-停止.变压器B1为Y/Y接法,一次侧线电压为380V,二次侧线电压为170V,经整流后直流空载电压有效值为240V,有工作负载时输出120V.
二、等离子切割机的缺陷
此型号等离子切割机,从其原理图或实际结构来分析主回路、控制回路等,没有使用集成电路,虽然结构简单,但存在一些缺陷.因为电源进线接至机上一端子板,然后从端子板直接接至接触器KM.开/关机只是开/断控制回路开关K1,继而控制接触器KM.在实际使用中若发生接触器KM铁心卡阻或触点烧结(此故障极常见),此时切割机仍然有电压输出.容易发生关不断电源的故障.从保护设备和工作人员或者从维修的角度分析,电源进线后与接触器KM之间至少需一只容量为30A左右(根据设备容量来估算)的三相断路器.
值得一提的是,在引弧过程中未切割工件即主回路已得电,控制回路工作,J3、B4工作,在B2的次数上有一引弧电压,叠加在主回路上.
由图上看,此引弧分量电压;经工件输出引线线间电容C13,线地电容C14、C15耦合,反加在变压器B1的次级,通过绕组匝间电容C16反馈至电源侧,给工频电源造成污染.用一高内阻数字万用表直流电压1000V挡,一表笔搭接电源进线任一相,另一表笔悬空,数字万用表的显示值是一不稳定的值(远高于0V)。

