
▌ 正投影法
投影时投影线都相互平行,投影线与投影面相垂直的平行投影法。

1. 基本视图


2. 向视图

3. 局部视图

4. 斜视图

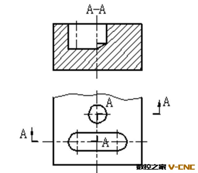
5. 剖视图

1)全剖视图

2)半剖视图

3)局部剖视图
4)阶梯剖

5)旋转剖

6. 断面图
假想用剖切平面将机件在某处切断,只画出切断面形状的投影并画上规定的剖面符号的图形,称为断面图,简称为断面。

▌识读零件图的一般方法和步骤
(1)首先看标题栏,概括了解零件
看标题栏,了解零件名称、材料和比例等内容,从而大体了解零件的功用,从名称判断该零件属于哪一类零件。从材料判断该零件大致的加工方法。从比例判断该零件的实际大小,从而对零件有初步的了解。
(2)分析研究视图,想象结构形状
看视图,分析零件各视图的配置及视图之间的关系,采用的表达方法和表达的内容,运用组合体的读图方法,形体分析法和线面分析法来读懂零件各部分的结构,想象出零件各部分的形状、相对位置及其作用。
(3)分析所有尺寸,弄清尺寸要求
综合分析视图和形体,分析零件的长、宽、高三个方向的尺寸基准,然后从基准出发,以结构形状分析为线索,再了解各形体的定形和定位尺寸,弄清各个尺寸的作用,图形和尺寸表达的是零件的形状和大小,读图时应把视图、尺寸和形状结构三者结合起来分析。
(4)分析技术要求,综合看懂全图
读图时应弄清表面粗糙度、尺寸公差、形位公差等技术要求。了解其代号含义。必要时还要联系与该零件有关的零件一起分析。
如何读懂机械零件图纸(二)
一、读零件图之前先概括了解。
从标题栏内了解零件的材料、名称、比例等,并浏览视图,初步得出零件的用途和形体概貌。
二、详细分析思考。
1.分析思考表达方案,分析思考视图布局,找出主视图、其它基本视图和辅助视图。根据剖视、断面的剖切方法、位置,分析思考剖视、断面的表达目的和作用。
2.分析思考尺寸 先找出零件长、宽、高三个方向的尺寸基准,然后从基准出发,找出主要尺寸。再用形体分析思考法找出各部分的定形尺寸和定位尺寸。在分析思考中要注意检查是否有多余和遗漏的尺寸、尺寸是否符合设计和工艺要求。
3.分析思考形体、想出零件的结构形状 先从主视图出发,联系其它视图进行分析思考。用形体分析思考法分析思考零件各部分的结构形状,难于看懂的结构,运用线面分析思考法分析思考,最后想出整个零件的结构形状。分析思考时若能结合零件结构功能来进行,会使分析思考更加容易。
4.分析思考技术要求 分析思考零件的尺寸公差、形位公差、表面粗糙度和其他技术要求,弄清哪些尺寸要求高,哪些尺寸要求低,哪些表面要求高,哪些表面要求低,哪些表面不加工,以便进一步考虑相应的加工方法。
三、归纳总结。
综合前面的分析思考,把图形、尺寸和技术要求等全面系统地联系起来思索,并参考相关资料,得出零件的尺寸大小、整体结构、技术要求及零件的作用等完整的概念。
注意:在看零件图的过程中,上述步骤不能把它们机械地分开,往往是参差进行的。对于有些表达不够理想的零件图,需要反复仔细地分析思考,才能看懂。具体大家可以参考下边这张零件图来学习如何读零件图: