一、H-ST系列耐辐照电机概述
H-ST系列电机的绕组通过使用较新的凸极绕组技术实现。
这样可以提高铜线占空系数。由于线槽占空系数高,因此可以获得连续大扭矩。
全封闭的定子为电机外壳提供了理想的绕组热接触。这样做的另一个好处就是可以机械保护绕组线不会出现振荡。
由于外壳和电机轴用的是防刮伤的不锈钢制成,涂料表面不会有腐蚀或损伤。电机符合防护等级IP67,辐射总剂量可达10的6次方Grays。
使用在核反应堆中的设备需要承受多种严酷条件:不仅要承受热机械应力和化学应力,而且还要承受辐射。
对于电机而言:粘合剂、漆包线、电缆、轴承和编码器均必须做耐辐射处理。
凭借多年丰富的经验,我公司开发了一系列可在辐射环境下运行的无刷电机。该电机已经通过测试。
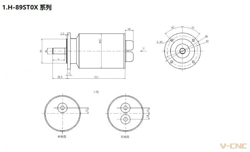
二、 H-ST系列核级伺服电机命名说明


三、H-ST系列核级伺服电机特点
可在强核辐射环境下工作(辐射强度106Gy)
抗核辐射和耐腐蚀性能,防护等级IP67
额定转矩0.7 N·m ~ 8N·m
高过载能力,动态响应性能好
齿槽转矩小,转矩波动小
四、 H-ST系列核级伺服电机应用领域
核辐射环境
食品行业
化工行业
制药行业
五、 H-ST系列核级伺服电机具体参数
